Wilo Sub TWI 5-SE-306EM-PnP/3 ponorné čerpadlo pro dešťovou vodu 2543633
Popis
Wilo Sub TWI 5-SE-306EM-PnP/3 – ponorné čerpadlo pro dešťovou vodu 2543633
Wilo Sub TWI 5-SE-306EM-PnP/3 je vysoce účinné vícestupňové ponorné čerpadlo určené pro čerpání čisté vody ze studní, cisteren, retenčních nádrží a zásobníků. Díky robustní konstrukci, samoodvětrávací technologii a odolným materiálům je ideální pro dlouhodobý provoz v domácnostech i komerčních systémech pro využívání dešťové vody.
Čerpadlo je plně zaplavitelné, vybavené nasávacím hrdlem Rp 11 pro možnost připojení plovoucího sacího koše a má stavěcí nohu s tlumiči vibrací pro stabilní montáž na dno nádrže. Součástí je také 20m přívodní kabel, spínací skříňka „HiControl“ s integrovanou ochranou motoru a spínačem ZAP/VYP. Pro snadnou manipulaci je dodáváno i bezpečnostní polypropylenové lano.
Všechny části přicházející do styku s dopravovanou kapalinou jsou odolné vůči korozi, což zajišťuje mimořádně dlouhou životnost i v náročných podmínkách.
Hlavní výhody Wilo Sub TWI 5-SE-306EM-PnP/3
- Vícestupňové provedení pro vysoký tlak a stabilní výkon.
- Maximální hloubka ponoru až 20 m.
- Možnost připojení plovoucího sacího filtru (Rp 11).
- Součástí balení 20 m kabel a spínací skříňka s ochranou motoru.
- Samoodvětrávací konstrukce pro rychlé uvedení do provozu.
- Tichý chod díky tlumičům vibrací na stavěcí noze.
- Konstrukce odolná proti korozi pro dlouhou životnost.
- Vhodné i pro instalaci mimo vodu.
Technické parametry
- Síťová přípojka: 1~230 V, 50 Hz
- Teplota média: +5 °C až +35 °C
- Max. provozní tlak: 10 bar
- Max. obsah písku: 50 g/m3
- Max. hloubka ponoru: 20 m
- Třída krytí: IP68
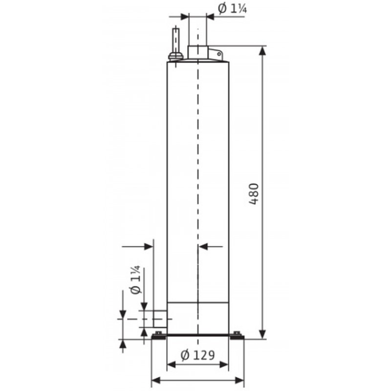
- Přípojka na výtlaku: Rp 11
- Přípojka na sání: Rp 11
Údaje o motoru
- Konstrukce motoru: Ponorný motor
- Síťová přípojka: 1~230 V, 50 Hz
- Jmenovitý výkon motoru P2: 0,75 kW
- Jmenovité otáčky: 2810 1/min
- Jmenovitý proud IN: 5,6 A
- Druh startu: Přímý online (DOL)
- Max. četnost spínání: 40 1/h
- Průměr motoru: 127 mm
Obsah dodávky
- Ponorné čerpadlo s 20 m kabelem
- Spínací skříňka „HiControl“ se 2m přívodním kabelem a zástrčkou CEE7/7
- Jemný filtr
- 1,5 m hadice
- Jisticí lano
- Návod k montáži a obsluze
Obrázky se mohou lišit od originálního produktu/položky.
Specifikace
| Parametry | |
| Velikost | 1" |
| Dopravní výška | 65 m |
| Max. průtok | 5 m3/h |
| Jmenovitý tlak | 10 bar |
| Síťová přípojka | 1~230 V, 50 Hz |
| Krytí IP | IP 68 |
| Délka kabelu | 20 m |
| Max. hloubka ponoru | 17 m |
| Přípojka výtlaku | 1 1/4" |
Dokumenty
Podobné produkty
Recenze (0)
Napsat recenzi
Hodnocení: Nejhorší Nejlepší
Opište prosím kód z obrázku do pole níže:







