Grundfos ALPHA2 GO 25-40 180 220-240V 9H AD0 Oběhové čerpadlo 93074225
Sleva 56%
Popis
Grundfos ALPHA2 GO
Grundfos ALPHA2 GO je vysoce účinné elektronicky řízené oběhové čerpadlo určené pro topné a klimatizační soustavy. Díky modernímu ECM motoru, inteligentním regulačním režimům a propojení s aplikací Grundfos GO umožňuje rychlé nastavení, diagnostiku a optimalizaci provozu přímo na místě instalace.
Čerpadlo je navrženo pro profesionální použití při servisu, výměnách i nových instalacích a poskytuje spolehlivý, energeticky úsporný provoz s dlouhou životností.
Použití
Oběhové čerpadlo je určeno pro cirkulaci vody v topných a klimatizačních systémech obytných i komerčních objektů.
Výhody
- Vysoce účinný ECM motor s nízkou spotřebou energie
- AUTOADAPT režim pro automatické přizpůsobení systému
- Režimy konstantního a proporcionálního tlaku i konstantní křivky
- Možnost řízení otáček pomocí PWM signálu
- Ochrana proti chodu nasucho a automatické odvzdušnění
- Keramická hřídel a vysoký rozběhový moment pro dlouhou životnost
- Digitální diagnostika a historie provozu přes aplikaci Grundfos GO
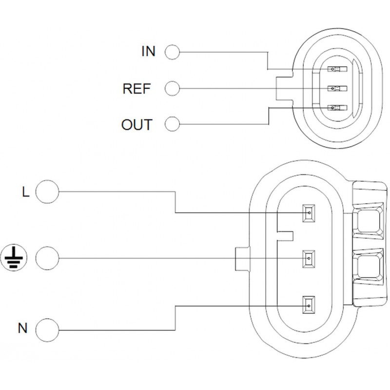
- Rychlá instalace bez použití nářadí díky novému konektoru
Technické parametry
| • Jmenovitý průtok | 1,53 m3/h |
| • Jmenovitá dopravní výška | 2,06 m |
| • Maximální provozní tlak | 10 bar |
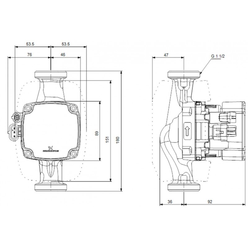
| • Orientace hlavy čerpadla | 9H |
| • Schválení | CE, VDE |
Kapalina
| • Čerpaná kapalina | Voda |
| • Rozsah teploty kapaliny | 2 až 110 °C |
| • Referenční teplota kapaliny | 20 °C |
| • Hustota | 998,2 kg/m3 |
Materiály
| • Těleso čerpadla | Litina (EN 1561 EN-GJL-150 / ASTM A48M-150B) |
| • Oběžné kolo | Kompozit PES 30 % GF + PESU-GF20 % |
| • Hřídel | Keramika |
Instalace
| • Rozsah okolní teploty | 0 až 55 °C |
| • Připojení potrubí | G 1 1/2" |
| • Norma připojení | ISO 228-1 |
| • Tlaková třída | PN 10 |
| • Stavební délka | 180 mm |
Elektrické údaje
| • Napájení | 1 × 220–240 V, 50/60 Hz |
| • Minimální příkon P1 | 3 W |
| • Maximální příkon P1 | 21 W |
| • Maximální proud | 0,04 A / 0,26 A |
| • Krytí | IP44 |
| • Třída izolace | F |
| • Tepelná ochrana | Elektronická |
Obrázky se mohou lišit od originálního produktu/položky.
Specifikace
| Parametry | |
| Dopravní výška | 4 m |
| Typ připojení | závitové |
| Velikost | 1 1/2" |
| Vestavná délka | 180 mm |
| Síťová přípojka | 1~230 V, 50/60 Hz |
| Krytí IP | IP 44 |
| EEI - Index energetické účinnosti | 0,16 |
| Typ | 25-40 |
| Jmenovitý průtok | 1,53 m3/h |
| Max. provozní tlak | 10 bar |
| Max. průtok | 2,7 m3/h |
Dokumenty
Podobné produkty
Zákaznicí kupující toto zboží zakoupili také
Recenze (0)
Napsat recenzi
Hodnocení: Nejhorší Nejlepší
Opište prosím kód z obrázku do pole níže:


























