Grundfos ALPHA2 GO 25-40 130 220-240V 9H AD0 Oběhové čerpadlo 93074226
Sleva 46%
Pečlivě vybrané příslušenství
Popis
Grundfos ALPHA2 GO
Grundfos ALPHA2 GO je vysoce účinné oběhové čerpadlo s elektronicky komutovaným motorem, určené pro topné a klimatizační soustavy. Díky digitálním funkcím a propojení s mobilní aplikací Grundfos GO umožňuje rychlé nastavení, diagnostiku a optimalizaci provozu přímo na místě instalace.
Vlastnosti a výhody
- Inteligentní řízení s režimy konstantního tlaku, proporcionálního tlaku a konstantní křivky
- Funkce AUTOADAPT pro automatickou optimalizaci provozu
- Vstup PWM pro přesné externí řízení otáček
- Rychlá instalace díky konektoru napájecího kabelu bez použití nářadí
- Ochrana proti chodu nasucho a automatické odvzdušnění
- Vysoký startovací moment a keramická hřídel pro dlouhou životnost
- Diagnostika a historie provozu prostřednictvím aplikace Grundfos GO
Řídicí jednotky
| • Frekvenční měnič | Integrovaný |
Kapalina
| • Čerpaná kapalina | Voda |
| • Rozsah teploty kapaliny | 2 .. 110 °C |
| • Vybraná teplota kapaliny | 20 °C |
| • Hustota | 998.2 kg/m3 |
Technické parametry
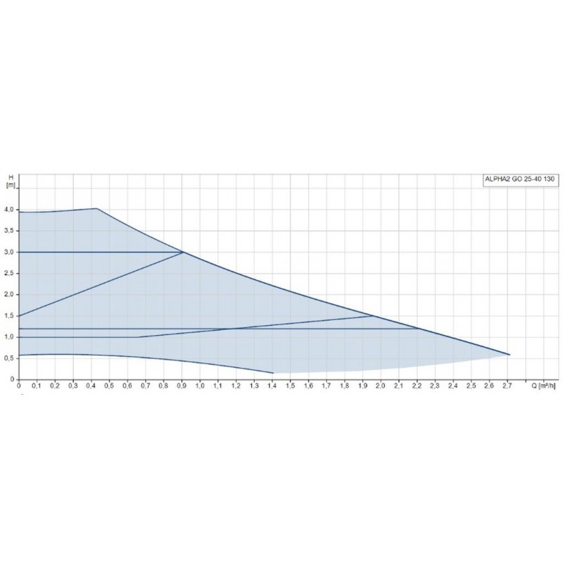
| • Jmenovitý průtok | 1.53 m3/h |
| • Jmenovitá dopravní výška | 2.06 m |
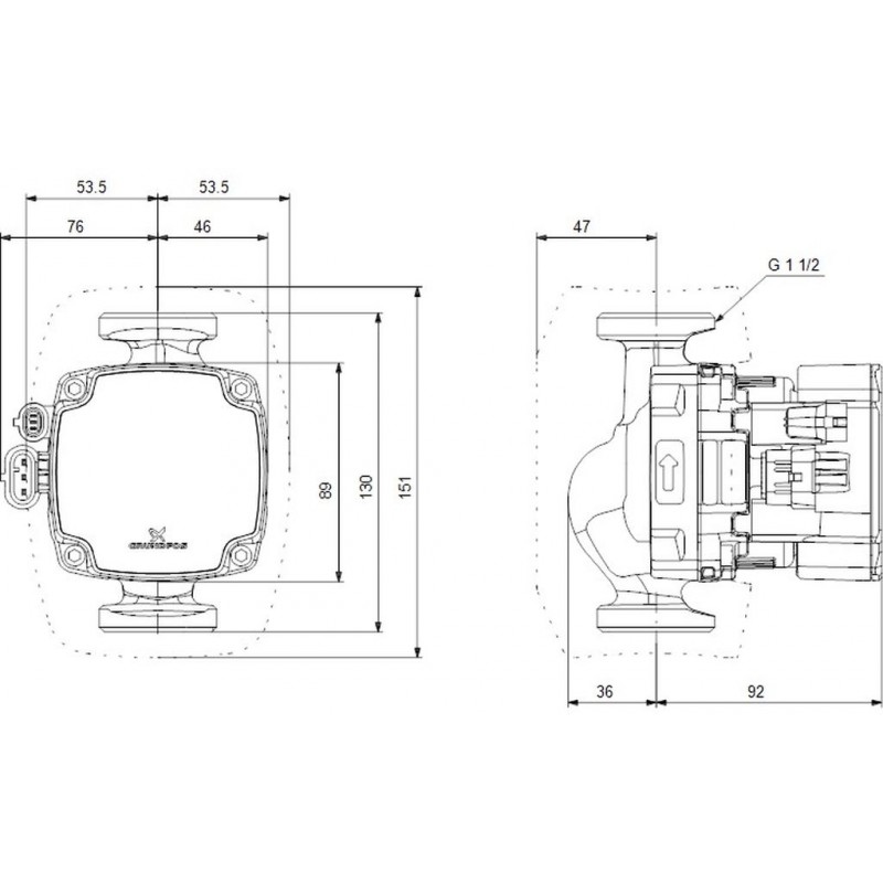
| • Orientace hlavy čerpadla | 9H |
| • Schválení | CE, VDE |
Materiály
| • Těleso čerpadla | Litina EN 1561 EN-GJL-150 ASTM A48M-150B |
| • Oběžné kolo | Kompozit PES 30 % GF + PESU-GF20 % |
Instalace
| • Rozsah okolní teploty | 0 .. 55 °C |
| • Maximální provozní tlak | 10 bar |
| • Standard připojení potrubí | ISO 228-1 |
| • Typ připojení | G |
| • Velikost připojení | 1 1/2 inch |
| • PN potrubní přípojky | PN 10 |
| • Délka port–port | 130 mm |
Elektrické údaje
| • Příkon P1 (min. / max.) | 3 .. 21 W |
| • Frekvence sítě | 50 / 60 Hz |
| • Jmenovité napětí | 1 × 220–240 V |
| • Maximální spotřeba proudu | 0.04 / 0.26 A |
| • Krytí | IP44 |
| • Třída izolace | F |
| • Tepelná ochrana | Electronic |
Obrázky se mohou lišit od originálního produktu/položky.
Specifikace
| Parametry | |
| Dopravní výška | 4 m |
| Velikost | 1 1/2" |
| EEI - Index energetické účinnosti | 0,16 |
| Síťová přípojka | 1~230 V, 50/60 Hz |
| Typ | 25-40 |
| Krytí IP | IP 44 |
| Jmenovitý průtok | 1,53 m3/h |
| Vestavná délka | 130 mm |
| Typ připojení | závitové |
| Max. provozní tlak | 10 bar |
Dokumenty
Podobné produkty
Zákaznicí kupující toto zboží zakoupili také
Recenze (0)
Napsat recenzi
Hodnocení: Nejhorší Nejlepší
Opište prosím kód z obrázku do pole níže:



























