Grundfos ALPHA2 GO 15-60 130 220-240V 9H AF0 Oběhové čerpadlo 93074220
Pečlivě vybrané příslušenství
Popis
Grundfos ALPHA2 GO 15-60 130 220-240V 9H AF0 Oběhové čerpadlo 93074220
Oběhové čerpadlo Grundfos ALPHA2 GO 15-60 130 je vysoce účinné řešení pro cirkulaci kapalin v topných a klimatizačních soustavách. Díky elektronicky komutovanému motoru a integrovanému frekvenčnímu měniči nabízí spolehlivý výkon, nízkou spotřebu energie a tichý provoz.
Ve spojení s mobilní aplikací Grundfos GO nabízí čerpadlo ALPHA2 GO řadu digitálních funkcí, které zjednodušují nastavení pro nové instalace i výměny starších čerpadel. Pomocí aplikace lze snadno ověřit kompatibilitu, replikovat přesné křivky čerpadel a využít pokročilé funkce pro diagnostiku i optimalizaci provozu celé soustavy.
Vlastnosti a výhody
- Vysoká energetická účinnost – EEI 0,18
- Integrovaný frekvenční měnič pro plynulou regulaci výkonu
- Režimy konstantního a proporcionálního tlaku i konstantní křivky
- Tři úrovně nastavení výkonu pro každý režim
- Režim AUTOADAPT pro konstantní a proporcionální tlak bez nutnosti ručního nastavení
- Možnost replikace křivek čerpadla pomocí aplikace Grundfos GO
- Vstup PWM pro přesné řízení otáček a optimalizaci soustavy
- Funkce detekce vzduchu a ochrana proti provozu nasucho
- Zesílený spouštěcí moment pro spolehlivý rozběh i v náročných podmínkách
- Kompaktní stavební délka 130 mm
Vhodné použití
Vytápění komerčních budov
Klimatizace pro komerční budovy
Cirkulace teplé vody v komerčních budovách (pouze provedení z korozivzdorné oceli)
Dálkové vytápění
Vytápění v rodinných domech
Technické parametry
| • Jmenovitý průtok | 1,9 m3/h |
| • Jmenovitá dopravní výška | 3,26 m |
| • Maximální dopravní výška | 6 m |
| • Maximální provozní tlak | 10 bar |
| • Jmenovitý tlak | PN 10 |
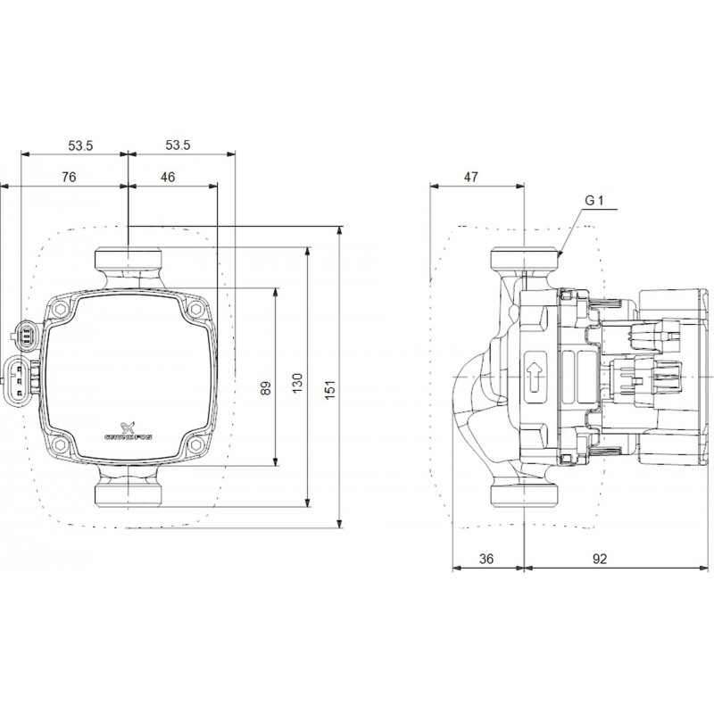
| • Stavební délka | 130 mm |
| • Potrubní přípojka | G 1 |
| • Rozsah teploty kapaliny | 2 .. 110 °C |
| • Čerpaná kapalina | Voda |
Elektrické údaje
| • Napětí / Frekvence | 1 × 220–240 V / 50–60 Hz |
| • Příkon P1 | 3 – 37 W |
| • Maximální proud | 0,04 – 0,40 A |
| • Krytí | IP44 |
| • Třída izolace | F |
| • Tepelná ochrana | Elektronická |
Materiálové provedení
| • Těleso čerpadla | Litina EN-GJL-150 |
| • Oběžné kolo | Kompozit (PES 30 % GF + PESU-GF20 %) |
Další údaje
| • Poloha svorkovnice | 9H |
| • Energetická účinnost | EEI 0,18 |
| • Čistá hmotnost | 1,7 kg |
| • Hrubá hmotnost | 1,88 kg |
| • Přepravní objem | 0,004 m3 |
Obrázky se mohou lišit od originálního produktu/položky.
Specifikace
| Parametry | |
| Dopravní výška | 6 m |
| Typ připojení | závitové |
| Velikost | 1" |
| Vestavná délka | 130 mm |
| Max. průtok | 1,9 m3/h |
| EEI - Index energetické účinnosti | 0,18 |
| Jmenovitý tlak | 10 bar |
| Síťová přípojka | 220-240 V, 50 Hz |
| Typ | 15-60 |
| Krytí IP | IP 44 |
Dokumenty
Podobné produkty
Recenze (0)
Napsat recenzi
Hodnocení: Nejhorší Nejlepší
Opište prosím kód z obrázku do pole níže:






















