CLAGE MCX 7 Malý průtokový ohřívač vody 6,5 kW 400 V 1500-15007
Sleva 24%
Doprava zdarma
Pečlivě vybrané příslušenství
Popis
CLAGE MCX 7 – malý elektronický průtokový ohřívač vody 6,5 kW / 400 V
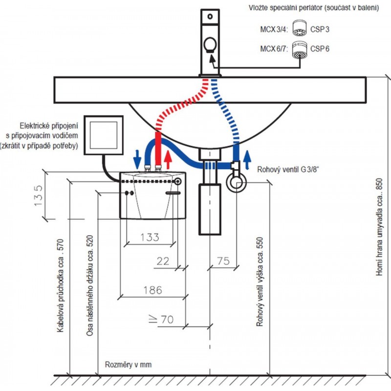
CLAGE MCX 7 je elektronicky řízený malý průtokový ohřívač vody určený k energeticky úsporné přípravě teplé vody přímo u umyvadla nebo kuchyňského dřezu. Ohřívač je určen pro tlakovou instalaci s běžnými armaturami.
Voda je ohřívána přímo při průtoku bez zásobníku a bez pohotovostních ztrát. Elektronická regulace výkonu automaticky přizpůsobuje topný výkon aktuálnímu průtoku a vstupní teplotě vody a udržuje stabilní výstupní teplotu až do limitu výkonu přístroje. Instalace pod umyvadlem nebo dřezem minimalizuje tepelné ztráty v potrubí a snižuje spotřebu energie.
Zařízení je určeno pro pevné elektrické připojení k síti 400 V (2~ / PE). Instalaci musí provést kvalifikovaný elektrikář.
Vlastnosti produktu
- Elektronicky řízený malý průtokový ohřívač vody
- Okamžitý ohřev vody bez zásobníku (topný systém IES®)
- Elektronická regulace výkonu pro stabilní teplotu vody
- Tři pevné stupně teploty: 35 °C / 38 °C / 45 °C
- Energetická třída A
- Tlaková instalace
- Pevné elektrické připojení 400 V (2~ / PE)
- Stupeň krytí IP25
- Možnost rozšíření o dálkové ovládání FX
- Včetně připojovací sady
Použití
- Umyvadla v koupelnách a na toaletách
- Komerční sanitární prostory
- Kuchyňské dřezy
- Vhodný pro dohřev předehřáté vody (např. solární systém)
Příslušenství (součást balení)
- T-kus 3 × 3/8"
- Flexibilní tlaková hadice 2 × 3/8"
- Speciální úsporný perlátor (CSP)
Technické parametry
| Parametr | Hodnota |
|---|---|
| Jmenovitý výkon | 6,5 kW |
| Napětí | 2~ / PE 400 V AC |
| Jmenovitý proud | 16 A |
| Průtok teplé vody (dT = 25 K) | 3,7 l/min |
| Min./max. průtok pro sepnutí | 1,5 / 3,7 l/min |
| Připojení vody | G 3/8" |
| Stupeň krytí | IP25 |
| Rozměry (V × Š × H) | 13,5 × 18,6 × 8,7 cm |
| Hmotnost s vodou | cca 1,5 kg |
| Energetická třída | A |
Obrázky se mohou lišit od originálního produktu/položky.
Specifikace
| Parametry | |
| Montáž | pod umyvadlo |
| Krytí IP | IP 25 |
| Výkon | 6,5 kW |
| Energetická třída | A |
| Zdroj napájení | 400 V |
| Druh ohřívače | průtokový |
| Typ ohřevu | elektrický |
| Typ | tlakový |
| Materiál nádoby | plast |
| S baterií | Bez baterie |
| Řízení | elektronické |
Dokumenty
Podobné produkty
Zákaznicí kupující toto zboží zakoupili také
Recenze (0)
Napsat recenzi
Hodnocení: Nejhorší Nejlepší
Opište prosím kód z obrázku do pole níže:

















