Wilo Varios Pico-STG 15/1-13-130 mm oběhové čerpadlo 4232746
Sleva 60%
Pečlivě vybrané příslušenství
Popis
Wilo Varios Pico-STG 15/1-13-130 mm oběhové čerpadlo 4232746
Wilo Varios PICO-STG 15/1-13 je vysoce účinné elektronicky řízené oběhové čerpadlo vhodné pro topné, klimatizační i solární systémy. Díky moderní technologii ECM nabízí výrazné úspory energie, tichý provoz a dlouhou životnost. Synchronní motor odolný proti zablokování a inteligentní řízení diferenčního tlaku zaručují spolehlivou a efektivní regulaci výkonu v každé aplikaci.
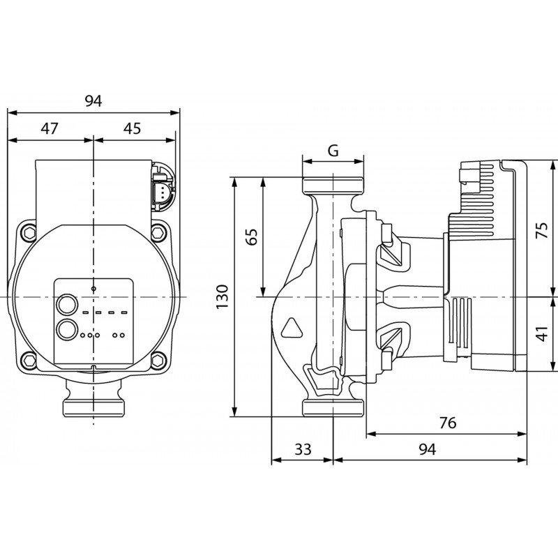
Model s instalační délkou 130 mm a připojením G1 je ideální pro kompaktnější topné okruhy, moderní otopné soustavy i výměnu starších čerpadel. Maximální dopravní výška 13 metrů poskytuje vysoký výkon při zachování nízké spotřeby.
Hlavní výhody
- Energeticky úsporný ECM motor (EEI ? 0,23)
- Plynulá regulace podle diferenčního tlaku
- Vhodné pro topení, chlazení i solární systémy
- Instalační délka 130 mm – snadná náhrada starších čerpadel
- Tichý chod a dlouhá životnost
- Závitové připojení G1 – ideální pro menší až střední okruhy
- Jednoduché elektrické připojení díky Wilo-Connectoru
Technické údaje
- Instalační délka: 130 mm
- Připojení: G1
- Max. dopravní výška (Hmax): 13 m
- Max. čerpací výkon (Qmax): cca 2,3 m3/h
- Teplota média: -20 °C až +110 °C
- Max. provozní tlak: 10 bar
- Třída krytí: IPX4D
- Síťová přípojka: 1~230 V, 50 Hz
Údaje motoru
- Index energetické účinnosti (EEI): ? 0,23
- Síťová přípojka: 1~230 V ±10 %, 50/60 Hz
- Jmenovitý výkon P2: 55 W
- Min. otáčky nmin: 2957 1/min
- Max. otáčky nmax: 4807 1/min
- Příkon P1 min: 1 W
- Příkon P1 max: 75 W
- Rušivé vyzařování: EN 61000-6-3
- Odolnost proti rušení: EN 61000-6-2
- Elektromagnetická kompatibilita: EN 61800-3
- Izolační třída: F
- Třída krytí: IPX4D
- Šroubení kabelu: 1 × PG11
Rozsah dodávky
- Oběhové čerpadlo Wilo Varios PICO-STG 15/1-13
- Přívodní kabel s 3pólovou zástrčkou
- Wilo-Connector
- Těsnění pro závitové připojení
- Návod k montáži a obsluze
Obrázky se mohou lišit od originálního produktu/položky.
Specifikace
| Parametry | |
| Dopravní výška | 13 m |
| Typ připojení | závitové |
| Přípojka přítoku | 1" |
| Přípojka výtlaku | 1" |
| Vestavná délka | 130 mm |
| Max. průtok | 2,3 m3/h |
| Jmenovitý tlak | 10 bar |
| Síťová přípojka | 1~230 V, 50/60 Hz |
| Krytí IP | IPX4D |
| Velikost | 1/2" |
| EEI - Index energetické účinnosti | 0,23 |
| Typ | 15/1-13 |
Dokumenty
Podobné produkty
-
3 068 Kčnení skladem
Recenze (0)
Napsat recenzi
Hodnocení: Nejhorší Nejlepší
Opište prosím kód z obrázku do pole níže:




















