Wilo Varios Pico-STG 15/1-7 130mm oběhové čerpadlo 4215540
Sleva 60%
Pečlivě vybrané příslušenství
Popis
Wilo-Varios PICO-STG – vysoce účinné oběhové čerpadlo pro topné a klimatizační systémy
Wilo-Varios PICO-STG je moderní elektronicky řízené oběhové čerpadlo s vysoce úsporným ECM synchronním motorem odolným proti zablokování. Je ideální pro vytápění, chlazení, solární systémy i geotermální aplikace. Integrovaná regulace výkonu umožňuje plynulé udržování diferenčního tlaku a zajišťuje maximální energetickou efektivitu.
Hlavní vlastnosti
- Přednastavené regulační režimy pro optimální adaptaci na provozní podmínky.
- Regulace diferenčního tlaku: konstantní (?p-c) nebo variabilní (?p-v) ve třech charakteristikách.
- Režim konstantních otáček ve třech stupních pro speciální použití.
- Externí řízení pomocí signálu iPWM GT (topení/geotermie) nebo iPWM ST (solární okruh).
- Funkce Sync – snadné nastavení při výměně starších modelů čerpadel.
- Manuální odvzdušnění rotoru a možnost restartu.
- LED displej s indikací provozního režimu, chyb a výkonu.
- Automatická deblokační funkce a integrovaná ochrana motoru.
- Rychlé elektrické připojení pomocí Wilo-Connectoru.
Hydraulické parametry
- Maximální dopravní výška: 7,0 m
- Maximální průtok: 3,7 m3/h
- Provozní tlak: PN 10 bar
- Teplota média: –10 °C až +95 °C
- Teplota okolí: –10 °C až +40 °C
Motor
- Energetická účinnost EEI: 0,20
- Napájení: 1~230 V, 50/60 Hz
- Otáčky: 2340–4366 rpm
- Příkon: 1–50 W
- Krytí: IPX4D, izolace třída F
Obsah balení
- Oběhové čerpadlo Wilo-Varios PICO-STG
- Kabel se zástrčkou a Wilo-Connectorem
- Těsnění
- Montážní a provozní návod
Obrázky se mohou lišit od originálního produktu/položky.
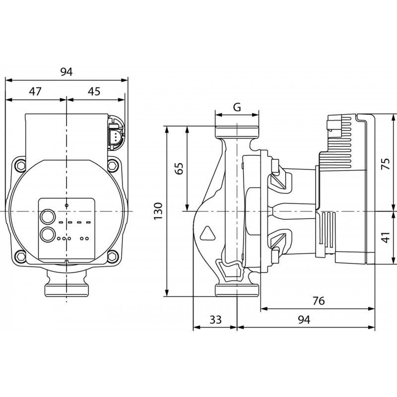
Specifikace
| Parametry | |
| Dopravní výška | 7 m |
| Typ připojení | závitové |
| Přípojka přítoku | 1" |
| Přípojka výtlaku | 1" |
| Vestavná délka | 130 mm |
| Max. průtok | 3,7 m3/h |
| Jmenovitý tlak | 10 bar |
| Síťová přípojka | 1~230 V, 50/60 Hz |
| Krytí IP | IPX4D |
| EEI - Index energetické účinnosti | 0,20 |
| Velikost | 1/2" |
| Typ | 15/1-7 |
| Velikost příruby | 25 DN |
| Čerpací výkon | 3,7 m3/h |
Dokumenty
Podobné produkty
-
3 068 Kčnení skladem
Zákaznicí kupující toto zboží zakoupili také
Recenze (0)
Napsat recenzi
Hodnocení: Nejhorší Nejlepší
Opište prosím kód z obrázku do pole níže:
























